找回密码
 注册会员

QQ登录

只需一步,快速开始

搜索
查看: 10724|回复: 12

对称度标注对可以标注在中心线上吗

[复制链接]
发表于 2015-9-7 13:56:59 | 显示全部楼层 |阅读模式
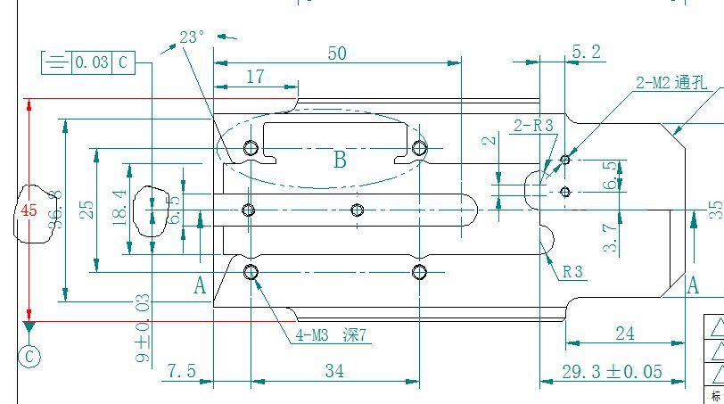
对称度标注对吗?
QQ截图20150907135413.jpg
回复

使用道具 举报

发表于 2015-9-7 14:06:43 | 显示全部楼层
  明显不行,不然搞不明白你这个对称度,是指那个要素的对称度啊!
 楼主| 发表于 2015-9-7 14:10:51 | 显示全部楼层
桃源闲客 发表于 2015-9-7 14:06   w4 V9 N3 y4 F5 f+ @# a' c. I
明显不行,不然搞不明白你这个对称度,是指那个要素的对称度啊!
9 F6 K5 v4 r! ^: Q8 L' w' k
如果不行话应该怎么标注,因为我需要9该尺寸是从中心铣过来的: J. i9 ]! ?) L, E. H  [
发表于 2015-9-7 14:35:39 | 显示全部楼层
654078469 发表于 2015-9-7 14:10 # ~, R2 c- c' k) j4 @8 q$ Y4 X
如果不行话应该怎么标注,因为我需要9该尺寸是从中心铣过来的
8 K0 j  V& B. v
1、尺寸为9±0.03mm的面,只有一个面,怎么会有对称度。' T& m3 J* x' B! x: W
2、应该考虑用平行度替代。
 楼主| 发表于 2015-9-7 14:52:22 | 显示全部楼层
桃源闲客 发表于 2015-9-7 14:35 " g: G6 Q( r! s4 m
1、尺寸为9±0.03mm的面,只有一个面,怎么会有对称度。
4 G8 Y2 W# p& G2、应该考虑用平行度替代。

$ _9 p; Z# Y, `平行度可以45该尺寸为基准吗?0 Z- p# G' H  Z5 s" w
 楼主| 发表于 2015-9-7 15:02:24 | 显示全部楼层
桃源闲客 发表于 2015-9-7 14:35 4 s+ ~6 o# D" z. U9 N8 L
1、尺寸为9±0.03mm的面,只有一个面,怎么会有对称度。/ j' n9 c- {7 G' _' E: X
2、应该考虑用平行度替代。

! A4 N# {- o' h如果把平行度改成位置度行吗?我把条子塞入该18.4槽里,使得条子中心在该座中心
- x0 E; d6 r/ @$ [9 o" g! W
QQ截图20150907150007.jpg
发表于 2015-9-7 16:08:08 | 显示全部楼层
平行度和垂直度就可以了吧?
发表于 2015-9-7 16:16:26 | 显示全部楼层
18.4的对称度如图
00-002-331.jpg
 楼主| 发表于 2015-9-7 16:22:53 | 显示全部楼层
海燕ZHpf 发表于 2015-9-7 16:16
1 q3 r1 ?. i1 @& T8 n$ Q18.4的对称度如图
' o2 q# B9 I& X$ [
18.4该尺寸是偏心的,不是居中的,加工时是先以45该尺寸分中下刀加工9然后加工18.4该尺寸,其实我就是怕分中不准,所以要标对称度。, [- `1 T7 ~  p

点评

没看清楚,图A-A。  发表于 2015-9-7 21:10
 楼主| 发表于 2015-9-7 16:25:33 | 显示全部楼层
hyr003 发表于 2015-9-7 16:08
4 a( j# M! a$ Y' Z平行度和垂直度就可以了吧?
$ i9 m, \! |8 d6 O
不会吧?我是要使条子插入使得条子刚好在中心。所以分中加工9该尺寸很重要
+ N/ U+ F; ~: E# [4 e# \! a
您需要登录后才可以回帖 登录 | 注册会员

本版积分规则

Archiver|手机版|小黑屋|机械社区 ( 京ICP备10217105号-1,京ICP证050210号,浙公网安备33038202004372号 )

GMT+8, 2025-10-20 10:32 , Processed in 0.091996 second(s), 26 queries , Gzip On.

Powered by Discuz! X3.5 Licensed

© 2001-2025 Discuz! Team.

快速回复 返回顶部 返回列表