找回密码
 注册会员

QQ登录

只需一步,快速开始

搜索
查看: 2071|回复: 1

螺纹复合孔加工问题

[复制链接]
发表于 2015-6-2 08:10:47 | 显示全部楼层 |阅读模式
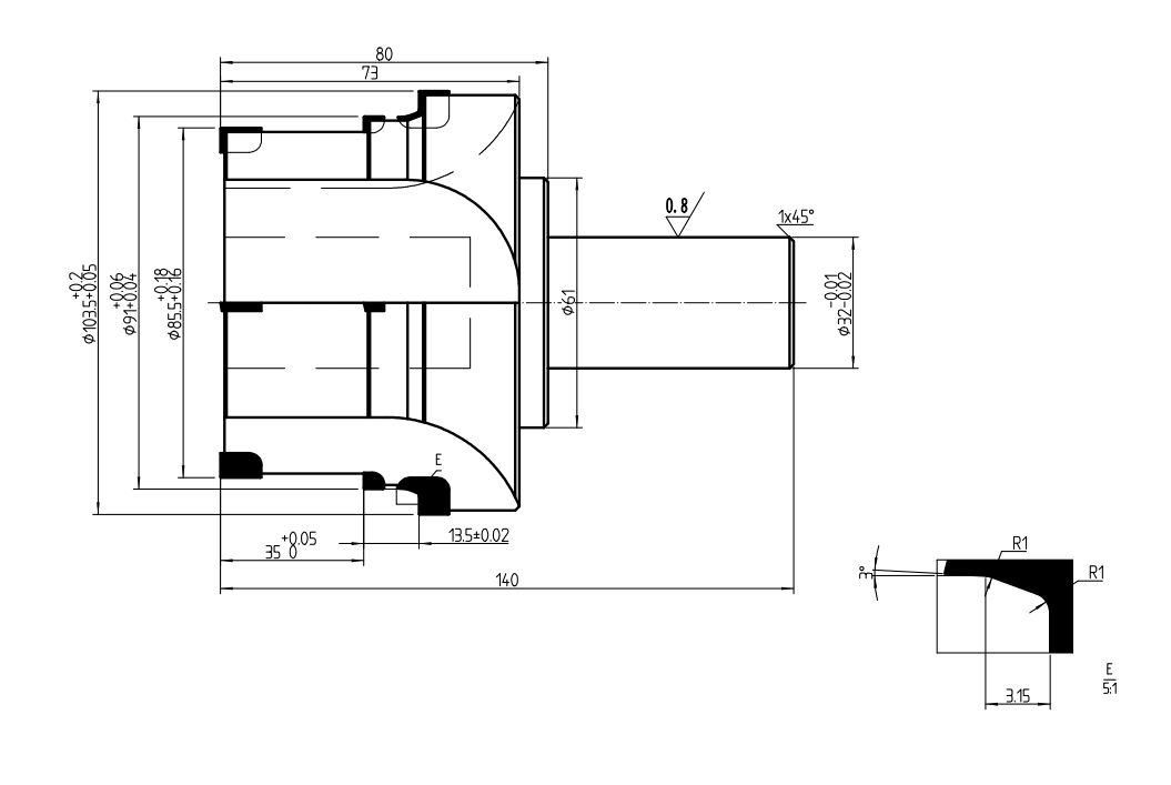
各位看看这个加工方案能否可行。最初这个孔用的全机夹刀片加工,但R不能很好的相接,所以改为焊片复合刀加工,但加工时由于刀具过重且刀片与工件接触面积过大,刀具加工很吃力有很明显的震纹。现在将方案更改为先机夹刀具粗加工,再用PCD复合刀具精加工。各位高手请看看能否可行,如有更好的加工方案请提出 ,谢谢。; L& s4 a0 l' P0 O4 a$ h
QQ图片20150602080331.png
2.png
3.png
回复

使用道具 举报

发表于 2015-6-2 10:30:35 | 显示全部楼层
本帖最后由 机床牙齿 于 2015-6-2 10:32 编辑
$ v4 z( z+ x5 U" |0 L. A2 T2 H# }* S  g3 Y$ [
采用两把刀具D85.5、D91孔与20.25°倒角、R1圆角分别加工,使每把刀具加工部位减少,即可减小刀具重量,也可降低切削力减小切削震动,还可降低刀具成本。加工D85.5、D91孔刀具采用机夹刀片结构,倒角倒圆角采用焊片结构。
您需要登录后才可以回帖 登录 | 注册会员

本版积分规则

Archiver|手机版|小黑屋|机械社区 ( 京ICP备10217105号-1,京ICP证050210号,浙公网安备33038202004372号 )

GMT+8, 2025-10-20 12:47 , Processed in 0.077780 second(s), 20 queries , Gzip On.

Powered by Discuz! X3.5 Licensed

© 2001-2025 Discuz! Team.

快速回复 返回顶部 返回列表