找回密码
 注册会员

QQ登录

只需一步,快速开始

搜索
查看: 1241|回复: 4

内孔精确固定机构,请教

  [复制链接]
发表于 2012-7-28 17:44:05 | 显示全部楼层 |阅读模式
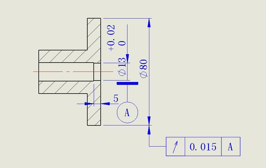
各位好,现象做个治具测量跳动,如图,基准为13内孔,不知道有什么好的方法固定制品。


搜狗截图_2012-07-28_16-59-50.jpg
回复

使用道具 举报

发表于 2012-7-28 18:04:08 | 显示全部楼层
抱小外园,内孔与外圆同时架表检测
发表于 2012-7-28 18:04:44 | 显示全部楼层
做个很小锥度的心轴吧,既能自定心又能定位。
发表于 2012-7-28 19:29:20 | 显示全部楼层
为什么不直接加工出来呢?
发表于 2012-7-29 13:23:18 | 显示全部楼层
1,端面加内孔锥头定位夹紧,测量
2,反其道行之,夹外圆量内孔。外圆端面和圆柱面定位,圆柱面用V块定位,这样测量要转化下基准。

您需要登录后才可以回帖 登录 | 注册会员

本版积分规则

Archiver|手机版|小黑屋|机械社区 ( 京ICP备10217105号-1,京ICP证050210号,浙公网安备33038202004372号 )

GMT+8, 2025-10-4 02:57 , Processed in 0.073194 second(s), 24 queries , Gzip On.

Powered by Discuz! X3.5 Licensed

© 2001-2025 Discuz! Team.

快速回复 返回顶部 返回列表