找回密码
 注册会员

QQ登录

只需一步,快速开始

搜索
查看: 6378|回复: 11

[ansys] 精通有限元的老师帮忙看看哦,,,,

[复制链接]
发表于 2013-7-25 16:11:38 | 显示全部楼层 |阅读模式
本帖最后由 机械梦想者2 于 2013-7-25 16:15 编辑 # W$ G' `2 Y9 v( Q3 C7 M$ ^$ |' j

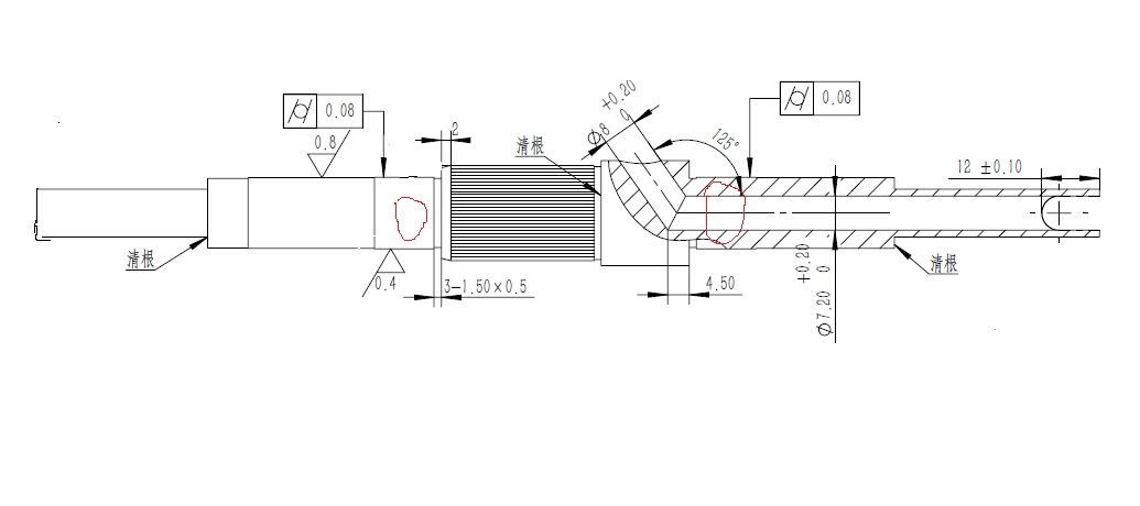
; G( W7 V2 X3 e/ r# h, E这是电动车的电机轴,工况就不多说啦,中间最大扭矩为72n.m两端固定,材料为45号钢,调制处理后硬度为25-30HRC。但为了穿线中间还有打直径为8mm的孔啊,打孔后很担心其强度,应力集中部位,请问精通结构分析的老师们,这样行吗?有没有更好的建议呢?最好能用ANSYS推算一下,毕竟是关系到人们生命安全啊。本人才疏学浅不胜感激啊。。。。

轴的尺寸

轴的尺寸

轴的三维图

轴的三维图

轴的尺寸

轴的尺寸
回复

使用道具 举报

发表于 2013-7-25 17:08:22 | 显示全部楼层
没见过这么干的。
& N/ \% y4 F' ]8 X实在要干,你打个对称的,也比偏置的强。
发表于 2013-7-25 17:10:06 | 显示全部楼层
有实体模型没
; a6 S' i! a1 q2 J2 S  r

点评

有,老师,我该怎么发给您啊  发表于 2013-7-25 23:01
 楼主| 发表于 2013-7-25 17:26:00 | 显示全部楼层
eddyzhang 发表于 2013-7-25 17:10
, Y1 ?) `" a) G; R& k8 H有实体模型没

$ h. S  ], D# S; r8 @3 l& E有,我们做出来了,冲击实验过程中有些断裂,断裂部位在端部应力集中部位。1 h' o' {/ P) s& Y+ M1 @9 `

点评

我的意思是你有3D实体模型没有,我可以帮你看看  发表于 2013-7-25 22:01
 楼主| 发表于 2013-7-25 17:29:32 | 显示全部楼层
逍遥处士 发表于 2013-7-25 17:08 6 x6 ~/ h( g& U
没见过这么干的。' |  K* B$ \: p" F
实在要干,你打个对称的,也比偏置的强。

: R2 R: q1 p" D# x老师,没办法啊,中间孔是为了穿电机定子三相线,而现在电动车电机轴大部分采用这结构,发现有些会断裂啊,毕竟是人命关天啊,来不得半点马虎和侥幸。
发表于 2013-7-25 17:53:17 | 显示全部楼层
你这样加工,还不如搞槽好!
发表于 2013-7-25 21:08:48 | 显示全部楼层
但是,现在的电动车的后轴就是这样的结构。为了穿电线,必须钻孔。
9 a; `1 \+ f$ \' J
# L" a: ]. [% P' @3 C曾经有人找到我,让我加工这种轴。要求材料40cr,调质,磨,最后发黑。价格只有5元多一点!我直接把他请了出去。
 楼主| 发表于 2013-7-25 22:57:19 | 显示全部楼层
机械梦想者2 发表于 2013-7-25 17:26 % K+ Q- u" q. i% o: q% ]5 a, I
有,我们做出来了,冲击实验过程中有些断裂,断裂部位在端部应力集中部位。
. s) i1 ~: O: j5 U
有,老师,我怎么发给你呢?谢谢啊3 X, v/ [! \' }9 d9 w
 楼主| 发表于 2013-7-25 23:12:32 | 显示全部楼层
夕阳书生 发表于 2013-7-25 21:08
+ R" }! G/ A; ~但是,现在的电动车的后轴就是这样的结构。为了穿电线,必须钻孔。
9 M1 G" ^, ^# S& x) Z  E% g# y7 m7 L7 v
曾经有人找到我,让我加工这种轴。要 ...

4 I1 a, Z5 _2 o* h, C8 y是啊,我们现在电动车就是这结构啊,你知道一根批量生产价格多少吗?才10元,没办法,采购商价格压得很低啊,不过我们实验用的请人家要200一根哦。! j* n8 F% M2 b2 y! u* B- g  \

点评

采购商这么黑!不过貌似这种国产电动车电机真卖不出价格,每个成品据说也就挣10块。层层压价,最后怎能做好产品  发表于 2013-7-29 15:49
发表于 2013-7-26 08:03:18 | 显示全部楼层
你 方便的话可以上传到论坛来,实在不行就QQ 437277875.
您需要登录后才可以回帖 登录 | 注册会员

本版积分规则

Archiver|手机版|小黑屋|机械社区 ( 京ICP备10217105号-1,京ICP证050210号,浙公网安备33038202004372号 )

GMT+8, 2025-10-15 05:43 , Processed in 0.093556 second(s), 28 queries , Gzip On.

Powered by Discuz! X3.5 Licensed

© 2001-2025 Discuz! Team.

快速回复 返回顶部 返回列表