|
发表于 2009-3-31 08:41:33
|
显示全部楼层
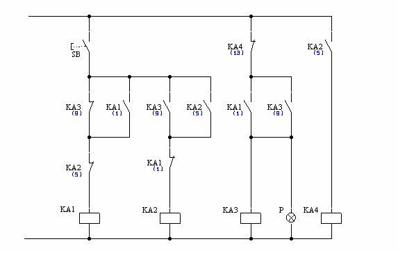
我怀疑实际应用过程中,有谁会用继电器电路做单键启停?有必要吗?
& H8 m2 J; g- f% Y* K$ v/ {…… g4 W, j/ Z: N; d/ C7 D
很多论坛都有人问这个问题。
, O7 A$ B# d5 Qazhu008 发表于 2009-3-30 22:05  6 F9 v7 p* S% e& v4 i
.
: I7 i+ F: p) r; R- kazhu008网友好!
5 f* ~; Q% g3 B.
8 ?+ I. u) C; E' N不要怀疑,我就遇到过。% C: i7 ^" x- O. k) U
.2 U/ D/ C! i9 X4 `3 @
1976年,我做过一个全部由继电器组成的“数控拉线机”。
/ e/ E6 @; ?$ H% B; C3 A该机除了四个整流二极管外和八个电解电容以外,再没有任何电子件。; q4 x/ B6 I' @9 r0 X3 @
.! ]8 ?. y- s- j8 k4 }/ R
那台“数控拉线机”机中,采用的就是单键触发原理。
6 b m ? U8 H. ]. B' e/ |: l3 h% W& b' ~
那台机器的发明,在当时引起了很大的轰动,很大程度上改变了
/ E( h- B) S8 p$ B我人生的轨迹,是一个非常精彩的故事,等有时间再讲给大家听。( B! F/ E( T+ j$ P0 l
.! E9 Q7 ? D7 N0 p# P% m7 b
因“我在飞友”的这道题也不是急用,所以,其中的原理也将在
( q* {- c" q! r2 t# a+ g7 _那里述叙,在这时暂时就不讲了。
6 _. R p, b2 J.. `0 u/ g: V! A* @. f
先发一个照片上来,照片上的那个人就是33年前的我---syw开门造车。4 N5 ^3 X0 h% E8 _( [ |
.
; ^6 M; ~% v; w! N, f$ Q; o7 X4 [我在飞友,算是欠你的。
. B0 e" c0 r/ ^.& V. q8 _- r: `$ S s) k
也想留给其他网友,看是否有人能解得出?. c- c0 X. t% q
.' Y( G' N1 \" G! y9 k7 D5 c
syw 090331---08.42
4 S! [ X* d1 J5 q' v' P, o
' `9 V' r$ E% x6 t' ?% n
2 B" u* d: g' X3 A% p! p: _( Y. |
-
|