找回密码
 注册会员

QQ登录

只需一步,快速开始

搜索
查看: 660|回复: 22

各位前辈师傅,我大学毕业刚入职,领导让我设计一款零件,关于密封不太懂,真心求ji'a

  [复制链接]
发表于 昨天 00:13 | 显示全部楼层 |阅读模式
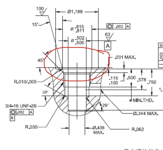
各位师傅好,领导采购了一批带外螺纹的管件,现在让我设计一个用于连接这个管的零件,螺纹是5/8-14UNF的,目前我的疑惑是不知道该如何确定密封圈的尺寸和密封槽的尺寸,之前对这方面完全没有经验,也看了一下机械设计手册,但是我还是不太敢确定怎么密封,是用管的端面密封还是螺纹和密封圈挤压相密封呢?真心求教各位师傅,谢谢师傅们
微信图片_20251021140644_236_150.png
微信图片_20251021143408_238_150.png
微信图片_20251021144013_239_150.png
微信图片_20251022000404_241_150.jpg
微信图片_20251022000825_243_150.png

评分

参与人数 1威望 +20 收起 理由
老鹰 + 20

查看全部评分

回复

使用道具 举报

发表于 昨天 06:52 | 显示全部楼层
可以模仿或者使用液压连接件,使用端面组合垫密封(外面是铜圈,里面是橡胶圈),端面挤压变形进行密封
发表于 昨天 07:38 | 显示全部楼层
GB/T3452.3自己查相关沟槽设计尺寸和O形圈选型;螺纹密封有没有考虑螺纹密封胶,液态螺纹紧固胶567,或者生料带。
发表于 昨天 08:12 | 显示全部楼层
密封圈不好装,还不如直接缠生胶带算了

点评

G螺纹  发表于 昨天 11:11
这种螺纹缠生料带没用  发表于 昨天 08:39
发表于 昨天 08:16 | 显示全部楼层
先去查看 5/8-14 UNF 的螺纹说明,然后...云破天青
发表于 昨天 08:28 | 显示全部楼层
主题无关
建议去修改绘图标准打开后导消零
发表于 昨天 08:28 | 显示全部楼层
考虑螺杆画圈处看能不能安装o型圈 再参考另一张图的密封形式
1.png
2.png

点评

那就把O型圈加到螺母 用螺杆的端头与o型圈压紧密封  发表于 昨天 08:36
后部加密封圈基本不可能,,,,  发表于 昨天 08:33
发表于 昨天 08:35 | 显示全部楼层
中间的10孔要求不一定是10的话,优先考虑轴向密封
发表于 昨天 08:39 | 显示全部楼层
这种螺纹就只能端面密封
发表于 昨天 08:44 | 显示全部楼层
1、螺纹带密封圈挤压密封感觉不太行吧,那根杆那里退刀槽位置的轴肩高度感觉不太够吧;
2、端面密封还得看杆表面的粗糙度,如果密封要求不高应该可以封住;
3、密封圈槽的尺寸不知道就查parker手册上,直接按照那个来。
(仅供参考)
您需要登录后才可以回帖 登录 | 注册会员

本版积分规则

Archiver|手机版|小黑屋|机械社区 ( 京ICP备10217105号-1,京ICP证050210号,浙公网安备33038202004372号 )

GMT+8, 2025-10-23 00:05 , Processed in 0.065843 second(s), 20 queries , Gzip On.

Powered by Discuz! X3.5 Licensed

© 2001-2025 Discuz! Team.

快速回复 返回顶部 返回列表