找回密码
 注册会员

QQ登录

只需一步,快速开始

搜索
查看: 211|回复: 8

套筒材料,热处理,工艺求指教

[复制链接]
发表于 昨天 09:39 | 显示全部楼层 |阅读模式
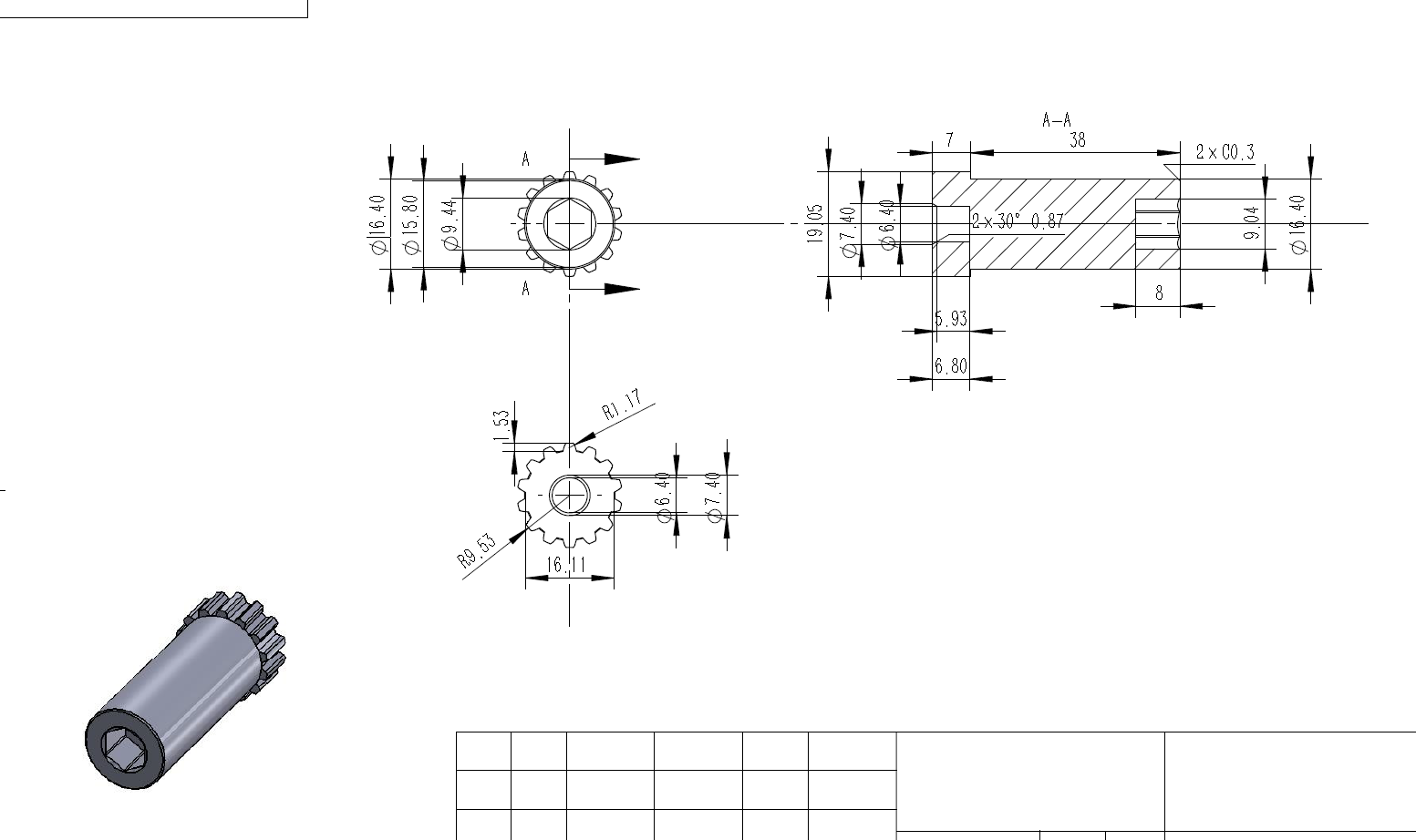
请教各位大佬,这2件产品用什么材料,和热处理工艺,硬度多少?目前用的是42CRMO,38度,用一天半就滑了。
6ba644c0-f501-4693-953e-40fda6e6e168.png
微信图片_20251014183244_27_455.jpg
b616f3d4-1fe8-4175-90ef-2052f06a49b8.png
回复

使用道具 举报

发表于 昨天 11:28 | 显示全部楼层
本帖最后由 学者11 于 2025-10-15 11:29 编辑

38度是个什么单位啊,硬度吗。图纸上写38度,就等于实物也是38度吗。有没有可能实物根本不符合图纸要求啊。
还有这两个零件叫什么名,干什么用的啊。你不会以为硬度和热处理与零件的用途没有关系吧。
还有这剖面视图的画法,谁教你这么画的,这是哪国标准?
 楼主| 发表于 昨天 14:30 | 显示全部楼层
外套筒硬度检测的是HRC38,零件叫什么名有关系么?还有就是这2件都是用到电动扳手上的,照片能看到吧。图纸不标准管他干嘛呢,不影响加工和热处理工艺吧。
发表于 昨天 15:03 | 显示全部楼层
这是裂了,不是滑了,,,,,回火不足,韧性差了。
发表于 昨天 15:21 | 显示全部楼层
图2崩了的是什么,怎么看都不像是图1的东西
发表于 昨天 15:21 | 显示全部楼层
45钢怎么样
发表于 昨天 15:36 | 显示全部楼层
套筒你这设计天然就容易滑  你都42CrMo了,那至少热处理HRC40-45

点评

纯没试过,看图片他这个是断了,扭转断裂主要是韧性不足。增加硬度情况下还是降低韧性,屈服不变情况下,不是更容易断裂吗?还是我有那些东西没考虑到。   发表于 昨天 17:06
发表于 昨天 21:43 | 显示全部楼层
38度肯定不行
您需要登录后才可以回帖 登录 | 注册会员

本版积分规则

Archiver|手机版|小黑屋|机械社区 ( 京ICP备10217105号-1,京ICP证050210号,浙公网安备33038202004372号 )

GMT+8, 2025-10-16 00:56 , Processed in 0.070347 second(s), 20 queries , Gzip On.

Powered by Discuz! X3.5 Licensed

© 2001-2025 Discuz! Team.

快速回复 返回顶部 返回列表