找回密码
 注册会员

QQ登录

只需一步,快速开始

搜索
查看: 22302|回复: 63

看看这张图

  [复制链接]
发表于 2023-12-20 08:11:16 | 显示全部楼层 |阅读模式
下载 (1).png

评分

参与人数 1威望 +1 收起 理由
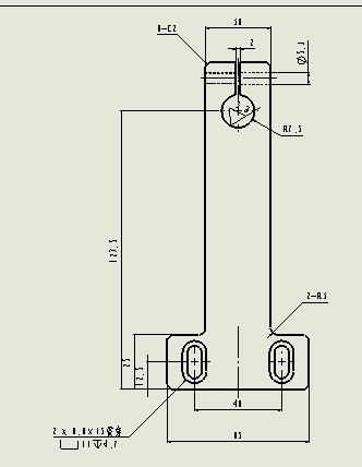
pengzhiping + 1 缺少了整体 长度尺寸 和 51孔位尺寸

查看全部评分

回复

使用道具 举报

发表于 2023-12-20 08:16:35 | 显示全部楼层
我的图图呢
发表于 2023-12-20 08:20:12 | 显示全部楼层
图片正在加载中.....
发表于 2023-12-20 08:26:23 | 显示全部楼层
这张图有点问题  结构不合理
发表于 2023-12-20 08:26:46 | 显示全部楼层
这张图太白了
发表于 2023-12-20 08:31:07 | 显示全部楼层
最新版皇帝的图纸
发表于 2023-12-20 08:39:37 | 显示全部楼层
最新版皇帝的图纸
发表于 2023-12-20 08:41:05 | 显示全部楼层
好大的雪
一片白芒芒
发表于 2023-12-20 08:44:11 | 显示全部楼层
这张图不太规范
发表于 2023-12-20 08:52:35 | 显示全部楼层
没看到图呀
您需要登录后才可以回帖 登录 | 注册会员

本版积分规则

Archiver|手机版|小黑屋|机械社区 ( 京ICP备10217105号-1,京ICP证050210号,浙公网安备33038202004372号 )

GMT+8, 2025-10-20 03:11 , Processed in 0.085046 second(s), 19 queries , Gzip On.

Powered by Discuz! X3.5 Licensed

© 2001-2025 Discuz! Team.

快速回复 返回顶部 返回列表