找回密码
 注册会员

QQ登录

只需一步,快速开始

搜索

真空吸附输送带

  [复制链接]
发表于 2023-5-20 13:21:54 | 显示全部楼层
确实,没有见过的都不知道是干嘛的。
风泵可以排风也可以负压吸东西。
皮带上的网孔动,对应盒子上的长条或是孔洞。
一路走一路吸
发表于 2023-5-21 13:44:57 | 显示全部楼层
谢谢楼主分享
发表于 2023-5-21 14:44:58 | 显示全部楼层
皮带下面有个密封的盒子,盒子和皮带接触的地方也打了很多孔,两侧引出管子接大流量的鼓风机使劲抽就可以,末端盒子没有孔就没有负压吸力直接就掉下去了
发表于 2023-5-23 15:27:49 | 显示全部楼层
东海fyh126 发表于 2023-5-19 14:22
皮带中间一个负压盒子连接抽气泵而已,,,,,

这位是对的
发表于 2023-7-12 10:49:08 | 显示全部楼层
真空带.jpg

评分

参与人数 1威望 +1 收起 理由
广州粤研钟彦华 + 1 问题描述清楚,显得很专业!

查看全部评分

发表于 2023-7-27 17:50:07 | 显示全部楼层
皮带中间做成一个腔体,上面也是很多孔,然后从一个接头处抽负压
发表于 2023-7-27 22:01:33 | 显示全部楼层
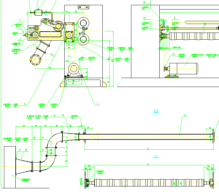
如图所示的结构,原理大同小异
无标题.png
发表于 2023-12-11 14:11:06 | 显示全部楼层
ytzhanggj007 发表于 2023-7-27 22:01
如图所示的结构,原理大同小异

大佬是啥设备都搞过啊,佩服

点评

只是接触过几个行业而已。可不敢说都搞过。就算是我自己最熟悉的行业,也不敢说都做过  发表于 2023-12-11 16:17
您需要登录后才可以回帖 登录 | 注册会员

本版积分规则

Archiver|手机版|小黑屋|机械社区 ( 京ICP备10217105号-1,京ICP证050210号,浙公网安备33038202004372号 )

GMT+8, 2025-10-22 18:39 , Processed in 0.074551 second(s), 17 queries , Gzip On.

Powered by Discuz! X3.5 Licensed

© 2001-2025 Discuz! Team.

快速回复 返回顶部 返回列表