找回密码
 注册会员

QQ登录

只需一步,快速开始

搜索
楼主: 998711

卷板机全套图纸,谁帮我审图

 火... [复制链接]
发表于 2011-9-7 18:56:00 | 显示全部楼层
寂静天花板 发表于 2011-9-7 18:51
怎么像害怕伏枥老师的卷板机呢

哈哈,看你的贴图,发现这图我很久以前就看见过,不知楼主剽窃的如何。
没下载,怕扣分。

点评

我就是个画图工,很会剽窃,呵呵。设计,不敢说会。  发表于 2011-9-8 21:53
所有的卷板机结构基本相同,哪里谈得到“剽窃”两个字。难道你的设计全是石头里蹦出来的?  发表于 2011-9-8 06:22
发表于 2011-9-7 19:46:08 | 显示全部楼层
如下问题
1、比例尺寸有些不对
2、视图放错
3、局部剖视图与图面中标的尺寸不一样
4、总装图不清晰,无法完成装配动作
发表于 2011-9-7 20:04:28 | 显示全部楼层
金币不好挣
发表于 2011-9-7 20:50:26 | 显示全部楼层
嗯,下来看看。。。
发表于 2011-9-8 05:38:52 | 显示全部楼层
楼主的图版本太高,特地下载和安装了软件最新的试用版本才能够看图。
这点要请楼主注意,下次再发类似帖子的时候,务必要先把图另存为软件的较低版本或转为PDF或JPG格式的文件。
由于本论坛下载要扣分,而JPG图形可以直接看到,还应当先贴出才好。

点评

大师言之有理,晚辈下载了前辈的大作,虽然耗尽了我四年的积蓄,但是很值,向前辈致敬,希望能拜您为师!  发表于 2012-3-15 18:13
发表于 2011-9-8 05:45:01 | 显示全部楼层
楼主的设计其结构基本沿用了我在论坛贴出过的一台简易卷板机,所以我应当参加讨论。
先泼一盆冷水吧。
虽然设计和那台简易卷板机好像一样,但只是好像而已。楼主的设计真要做出来,是不能用的。
发表于 2011-9-8 07:58:19 | 显示全部楼层
这么大的机器没玩过,看着就害怕,只会玩紧凑型的小机器

点评

所谓会者不难,难者不会,前辈是内行所以觉得简单没技术含量。没接触过的看来还是觉得很好,很有参考价值的。  发表于 2012-11-28 09:24
同感触,大机器不敢玩,基础比较差  发表于 2011-9-9 16:05
粗活,没半点技术含量,也没电控的事。挣不到钱。你不该做也不应该去做。  发表于 2011-9-8 08:35
发表于 2011-9-8 08:43:40 | 显示全部楼层
本帖最后由 害怕伏枥 于 2011-9-8 08:59 编辑

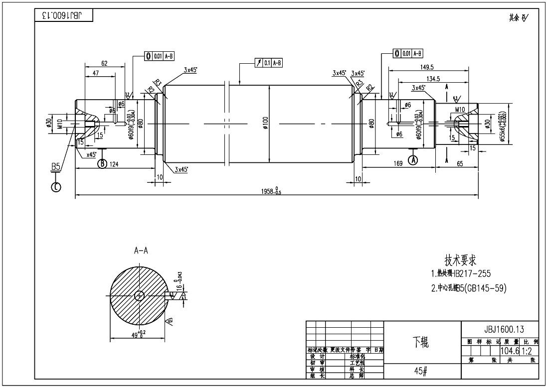
代楼主贴出几张图,总装、墙板和上下辊。总装图有足够的像素,点击后可以放大清楚阅读。
JBJ1600.jpg
JBJ1600.1.jpg
JBJ1600.13.jpg
JBJ1600.12.jpg

点评

请注意17楼的意见,这个设计是不能用的。  发表于 2014-5-12 15:47
学习中  发表于 2014-5-12 15:13
把前辈的图纸下下来学习学习,请问下老师是通过丝杆来调整轴承座高度进而调整的托辊么?求图xiezhihua-2008@163.com.谢谢  发表于 2012-5-26 21:27
发表于 2011-9-8 08:58:10 | 显示全部楼层
首先想问楼主的是,你是如何决定三根辊的直径为120和下面两根辊中心距为220的。
等你说出个道理来以后,我们继续讨论。

点评

你说的不错,只不过是原则而已。具体做法,几句话说不清。好在论坛上我和别的社友贴出过好些资料。真想学习,不妨找出来认真读一读,想一想。就不会和楼主的似是而非一样了。  发表于 2011-9-10 12:30
我也想知道!直径是根据该机器所要承载的载荷扭矩确定吗?中心距是根据产品的尺寸来的吗?  发表于 2011-9-10 11:28
发表于 2011-9-8 09:53:04 | 显示全部楼层
审图不敢说,学习一下的啊
您需要登录后才可以回帖 登录 | 注册会员

本版积分规则

Archiver|手机版|小黑屋|机械社区 ( 京ICP备10217105号-1,京ICP证050210号,浙公网安备33038202004372号 )

GMT+8, 2025-10-22 01:29 , Processed in 0.081163 second(s), 18 queries , Gzip On.

Powered by Discuz! X3.5 Licensed

© 2001-2025 Discuz! Team.

快速回复 返回顶部 返回列表