找回密码
 注册会员

QQ登录

只需一步,快速开始

搜索
查看: 5411|回复: 16

气动平衡臂的原理求教

  [复制链接]
发表于 2023-12-29 14:05:50 | 显示全部楼层 |阅读模式
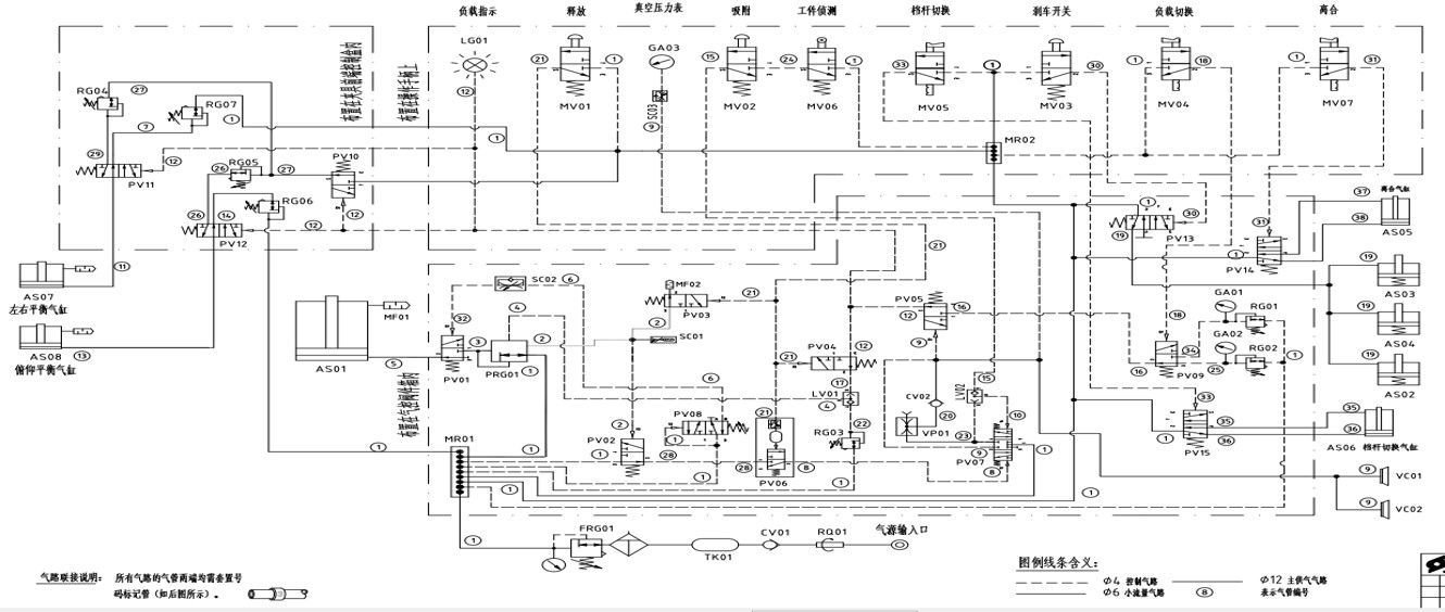
最近车厂项目需要类似的气动平衡臂,想知道有没有做过这方面的朋友。
看了半天气路图,看的很模糊。这个设备应该是全气路控制的。没有电的部分。
上资料,这些都是网络找的图纸,侵删。
Snipaste_2023-12-29_14-03-35.png
图片1.jpg
图片2.jpg

回复

使用道具 举报

发表于 2023-12-29 14:26:51 | 显示全部楼层
你们是要自己做?
发表于 2023-12-29 14:34:58 | 显示全部楼层
你是想知道机械原理还是气动啊?

点评

气动原理。机械没什么复杂的  发表于 2023-12-30 00:54
发表于 2023-12-29 14:46:58 | 显示全部楼层
我跟进的一个客户做这个产品:深圳立安科技 (www.liftarmtech.com) ,找老板林总就好。

无标题.jpg

发表于 2023-12-29 15:19:46 | 显示全部楼层
气和电,很类似。
发表于 2023-12-29 15:58:14 | 显示全部楼层
有时自己画的都看不懂

顺着执行器一路一路往上找,其它的不要管,和这个执行没有关系,有时就是共用一下气路.
发表于 2023-12-29 16:46:11 | 显示全部楼层
热青茶 发表于 2023-12-29 15:19
气和电,很类似。

大佬怎么说

点评

各种与非门逻辑组合。  发表于 2023-12-29 17:40
发表于 2023-12-29 17:10:09 | 显示全部楼层
找费斯托 他们有专门有一个板块 就是气动平衡的
发表于 2023-12-29 17:20:56 | 显示全部楼层
CKD或者费斯托都有成品卖,国内汽车厂配套商也做很多,原理就是用SMC中压式三位电磁阀+调压阀(带残压背压释放)+与被吊物品重量对应大小的气缸,气缸+调速阀增加速度调节即可,有些做成一路管接大气一路接上面这套,想稳定两路管都单独接这样的,至于那些触发开关翻翻SMC目录,需要与与、或阀还有延时阀还有手动气动阀一起整合到整个系统,这个就跟纯继电器控制回路一样的方法了
发表于 2023-12-29 17:23:32 | 显示全部楼层
本帖最后由 永远的120 于 2023-12-29 17:32 编辑

平衡气缸用低摩擦气缸,气动平衡没有基础,95%容易搞砸,特别是大负载的。之前做过一次拧紧枪的助力臂。导轨品牌:eepos
平衡气缸:FESTO低摩擦气缸
刹车气缸:国产(淘宝找的,品牌忘了)
操作手柄:上海烨博


点评

是的。我看平衡气缸只有一路进气。 说这个简单的,都是没实际做过。感谢提供品牌。谢谢。  发表于 2023-12-30 00:56
您需要登录后才可以回帖 登录 | 注册会员

本版积分规则

Archiver|手机版|小黑屋|机械社区 ( 京ICP备10217105号-1,京ICP证050210号,浙公网安备33038202004372号 )

GMT+8, 2025-10-21 05:21 , Processed in 0.071329 second(s), 19 queries , Gzip On.

Powered by Discuz! X3.5 Licensed

© 2001-2025 Discuz! Team.

快速回复 返回顶部 返回列表