找回密码
 注册会员

QQ登录

只需一步,快速开始

搜索
查看: 6344|回复: 11

金属材料的腐蚀种类有哪些?【1】

  [复制链接]
发表于 2018-4-10 23:21:28 | 显示全部楼层 |阅读模式
本帖最后由 晓昀 于 2018-4-10 23:21 编辑

腐蚀是指金属材料与周围环境作用后发生的材料损坏和变质。
按腐蚀环境分为:化学介质腐蚀,大气腐蚀,海水腐蚀,土壤腐蚀。按作用机理分为:化学腐蚀,电化学腐蚀。按破坏形式分为均匀腐蚀和局部腐蚀。

腐蚀的种类:均匀腐蚀;点腐蚀;晶间腐蚀;缝隙腐蚀;应力腐蚀;氢腐蚀;高温氧化。

1、均匀腐蚀
均匀腐蚀又称全面腐蚀,指在整个金属材料表面比较均匀的发生腐蚀现象,随着时间的推移,材料的厚度逐渐变薄,甚至腐蚀穿透。均匀腐蚀是机械设备在生命周期内发生腐蚀的最基本的形式。在设计过程中选用耐腐蚀材料时,材料的耐均匀腐蚀性能是耐腐蚀性的最基本的性能。均匀腐蚀最明显的特征就是材料的总重损失,即重量减小。
均匀腐蚀总常用的试验方法就是重量法。将材料样品置于试验介质中,经一定时间后测定样品的重量变化,求出腐蚀速度。测定标准为GB/T10124《金属材料实验室均匀腐蚀全浸入试验法》。
2、点腐蚀
钝化处理之所以能抗腐蚀是由于在金属表面形成了一层具有保护性的钝化膜。一旦,这层钝化膜遭到破坏又缺乏自钝化的条件和能力,金属材料就会发生腐蚀。如果腐蚀仅仅发生在机械设备的某些特定点域,并在这些点域逐渐形成向深处发展的腐蚀小坑,而在金属表面的其他大部分表面仍然保持钝性的腐蚀现象就是点腐蚀。 点腐蚀1.jpg           点腐蚀2.png

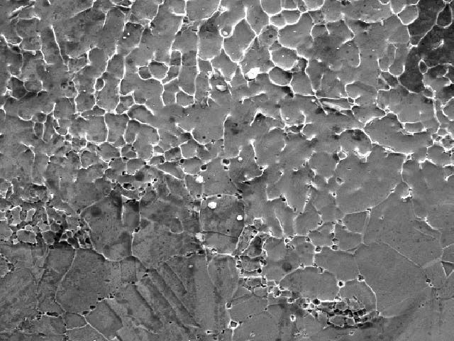
3、晶间腐蚀
晶粒间界是结晶方向不同的晶粒间紊乱错合的界域。它们是金属中各溶质元素偏析或者金属化合物(如碳化物)沉淀析出的区域。在某些腐蚀介质中,晶粒间界可能先行被腐蚀。这种沿着金属材料晶粒间界先行发生的腐蚀,使晶粒之间丧失结合力的局部破坏现象,就是晶间腐蚀。简言之,晶间腐蚀就是在金属晶粒之间产生的一种腐蚀现象。
晶间腐蚀2.jpg                             晶间腐蚀3.jpg 晶间腐蚀4.jpg                          晶间腐蚀1.jpg
晶间腐蚀的原因是晶间贫铬,即在晶格界面上,碳与铬优先生成一种化合物从而导致晶格界面缺少铬形成致密氧化膜。处理的方法:一种是降低材料的碳含量,不致形成碳铬化合物;另外一种添加金属元素,例如铌、钛、钒,其活性优于铬,这些元素先与碳形成化合物。
比如,奥氏体不锈钢板,如果热处理过程不当,就会造成原应在奥氏体固溶的碳化物在奥氏体晶间有碳化铬沉淀析出,即产生敏化现象,造成碳化物临近区域出现贫铬,使奥氏体抗晶间腐蚀能力降低。对于敏化了的不锈钢板可以通过重新固溶处理来消除敏化,恢复材料的抗晶间腐蚀能力。

在奥氏体不锈钢的保存与运输中,严禁奥氏体不锈钢与碳钢接触或混合堆放,以防止奥氏体不锈钢的铁污染。




奥氏体不锈钢铁污染的来源以及防护措施_段传成.pdf

1.46 MB, 下载次数: 14, 下载积分: 威望 -10 点

评分

参与人数 1威望 +100 收起 理由
吉吉几几 + 100

查看全部评分

回复

使用道具 举报

发表于 2018-4-11 09:04:55 | 显示全部楼层
感谢楼主分享!
发表于 2018-4-11 09:22:21 | 显示全部楼层
行业也分层级的,越高的层级对材料的要求越高。
行业内产品制作精度越精密,应用场合越重要,材料的技术要求也越多,越细,越全。对材料性能的利用也越充分。
想到我们用904L只是考虑用它的耐高温性能,简直是一种浪费。
 楼主| 发表于 2018-4-11 09:30:01 | 显示全部楼层
moipourlui 发表于 2018-4-11 09:22
行业也分层级的,越高的层级对材料的要求越高。
行业内产品制作精度越精密,应用场合越重要,材料的技术要 ...

对!材料的选用应考虑经济性和适用性,在材料的选择中并不是说材料的性能越高越好,这样不但会浪费材料的性能而且会给产品增加很多不必要的成本,降低竞争力。
发表于 2018-4-11 10:02:43 | 显示全部楼层
这个好
回复

使用道具 举报

发表于 2018-4-11 15:37:56 | 显示全部楼层
谢谢楼主分享
发表于 2018-4-12 12:38:37 | 显示全部楼层
谢分享
回复

使用道具 举报

发表于 2018-4-12 15:18:16 | 显示全部楼层
感谢分享。。。
回复

使用道具 举报

发表于 2018-4-12 15:28:59 | 显示全部楼层
我们用的201  304从来没注意过这些。。。。不知道影响有多大
发表于 2018-4-12 16:50:25 | 显示全部楼层
D2的涂一层油漆就够了
您需要登录后才可以回帖 登录 | 注册会员

本版积分规则

Archiver|手机版|小黑屋|机械社区 ( 京ICP备10217105号-1,京ICP证050210号,浙公网安备33038202004372号 )

GMT+8, 2025-10-20 03:26 , Processed in 0.067803 second(s), 18 queries , Gzip On.

Powered by Discuz! X3.5 Licensed

© 2001-2025 Discuz! Team.

快速回复 返回顶部 返回列表